Биметаллические детали трубопр
Идукционный отвод
Стальные фланцы
Скачать каталоги
Фланцы стальные приварные всты
Стальные фланцы с впадиной под
Фланцы с резьбой
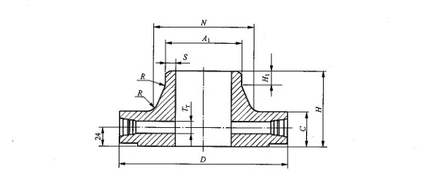
фланец приварной
Фланцы отверстий
Заглушки стальные фланцы
Несъемные фланцы
Камеры приема и запуска
Антикоррозионные продукции
Золяция труб
Детали трубопроводов в изоляци
Робот
Фланцы отверстий
Выпускной фланец
Используемые стандарты: HG/T20592~20635-2009、ASME B16.36 и т.д.Материал:нержавеющая сталь, легированная сталь, углеродистая сталь, двухфазная сталь- супер двухфазная сталь, сплав на никелевой основе и т.д.
Условное давление: PN10-PN160
Спецификации продукта: DN25-DN600(1”-24”)
Details
Наша компания производственная фланец, ковка заготовки в качестве сырья, Использование обрабатывающая механическая процесса. Наша продукция широко используется в нефтяной и газовой промышленности, проект водоснабжения, химической промышленности и других отраслях промышленности.